Не включается
Не работает Не заряжается
Не загорается
Не светит
Не показывает
Не загружается
Не работает кнопка
Не играет
Не видит SIM
Не видит карту памяти
Не слышно абонента
Не ловит сеть
Не срабатывает
Не светится
Не работают клавиши
Не видит MicroSD
Нет звука
Нет изображения
Нет картинки
Нет подсветки
Нет мелодии
Нет сети
Моргает
Перезагружается
Выключается
Включается сам
Туго нажимается
Тормозит
Упал
Трещина
Микротрещина
Разбит
Порван
Износился
Замена
Ремонт
Пайка
Восстановление
Прошивка
Перепрошивка
Реальная гарантия! Магазин выполняет официальную гарантию производителей. Мы принимаем любые товары при выполнении гарантийных условий
Доставка - в любое село! Склад отправляет посылки в любой населенный пункт мира. Стоимость доставки по Украине - от 30 до 50 грн. В другие страны - индивидуально.
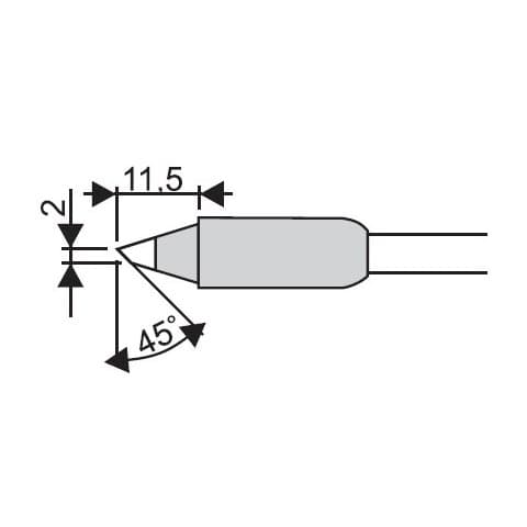
Goot RX-85HRT-2BC – сменное паяльное жало с односторонним срезом с интегрированным нагревательным элементом и температурным датчиком для точной бессвинцовой пайки компонентов.
Условия доставки и оплаты можно выбрать при оформлении заказа через корзину. В том числе возможен вариант с оплатой при получении. Доставка до офиса грузоперевозчика у нас бесплатная. Стоимость доставки посылки через Новую Почту поставляет 50 грн, либо Укрпочту - 30 грн.
Условия гарантии описаны в соответствующем разделе.
Купить Goot RX-85HRT-2BC - паяльное жало-нагреватель можно и в нашем офисе, платить за доставку при этом не нужно.